广州京威自动化设备科技有限公司

搜索内容
搜索类别
当前位置:HOME > 产品展示
产品展示
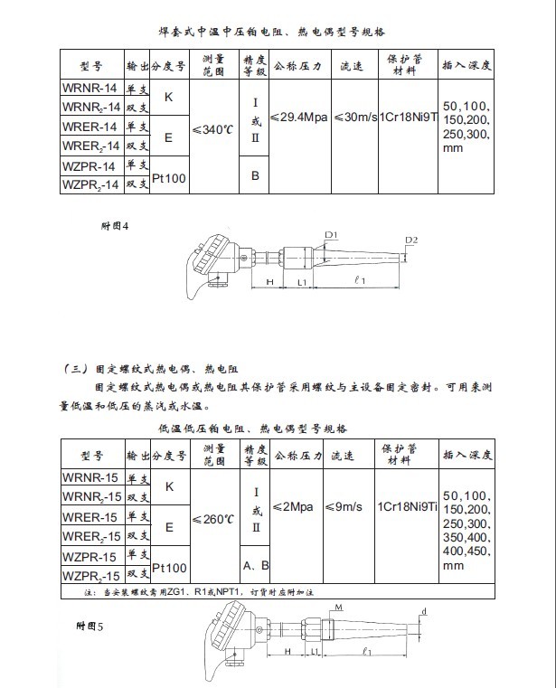
燃煤发电机专用铂热电阻、热电偶


点击放大图
详细内容

相关产品
  • 查无记录
  • 评论
    评论已关闭

     版权所有:广州京威自动化设备科技有限公司 备案许可证号:粤ICP备11082786号  地址: 广州市花都区公益路27号百业广场7025室
     电话: 020-36932298  13632232648  传真: 020-36932297  QQ:1060542572  223964465   E-Mail:kingwaychina@126.com

    网站管理